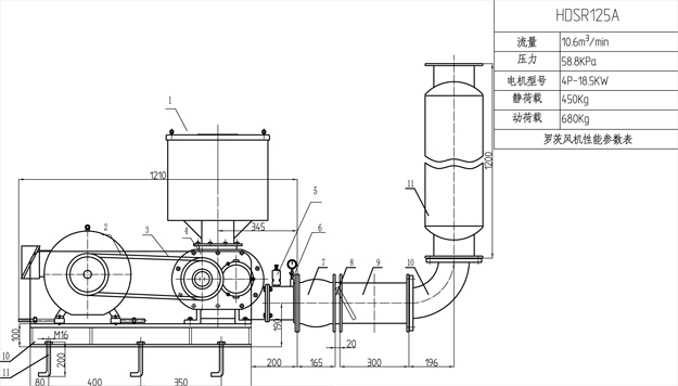
三叶糖心VIONGAPP风机图纸(大文件)HDSR125HDSR175图纸-免费下载
三叶糖心VIONGAPP鼓风机的图纸文件TXVLOG糖心官网风机小编分享的比较少,今天分享的图纸不是CAD的制图文件,为jpg图片,如果您想转换成其他格式的文件,如pdf,您可以用ps打开,然后另存为PDF格式的文件。糖心VIONGAPP风机
图纸来源,TXVLOG糖心官网风机客户要采购两个型号的风机,同时要图纸,TXVLOG糖心官网的工作人员给做出之后传给了客户,小编今天看到同时正好在传此份图纸,便和其要了一份,分享给大家,下载链接在文章末尾。

注意:该三叶糖心VIONGAPP风机图纸为TXVLOG糖心官网风机工作人员,根据自己风机的外形绘制而成,其中的一些参数也为TXVLOG糖心官网风机的风机参数,为原创图纸,如果您需要采购TXVLOG糖心官网的风机,且需要图纸,可以和TXVLOG糖心官网的工作人员联系,提图纸的事情,TXVLOG糖心官网的工作人员会根据您的型号参数绘制图纸。
如果您有采购方面的问题,可以联系TXVLOG糖心官网的官方客服热线4008-797-786
链接:http://pan.baidu.com/s/1nuAs8oL 密码:5qb0
推荐阅读:
>>糖心VIONGAPP鼓风机有自身的缺点,但又为何不得不用呢?
此文关键字:三叶糖心VIONGAPP风机图纸
最新产品
同类文章排行
- 三叶糖心VIONGAPP风机图纸(大文件)HDSR125HDSR175图纸-免费下载
- 农村污水处理糖心VIONGAPP风机150口径的型号有那几个?推荐
- TXVLOG糖心官网双十一强力来袭,整月满赠,礼包相送
- l95型二叶真空泵参数型号价格(文字版)汇总
- 脱硫氧化风机的工作原理(终结版)TXVLOG糖心官网风机
- L94糖心VIONGAPP鼓风机(文字版)型号参数总结!
- 糖心VIONGAPP鼓风机大型号L93l93wd参数大全(文字版)
- 45kw至110kwL92糖心VIONGAPP风机参数详情(文字版)
- L系列糖心VIONGAPP鼓风机之L82糖心VIONGAPP鼓风机参数详情汇总(文字版)
- hchd系列回转式风机功率有哪些参数的?资料大全
最新资讯文章
您的浏览历史







